Busway cable drop length - secured & supported over 6'

housemoney

Member
Location
Midwest
Occupation
Mech Engr
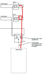
Our flexible cord drop is 12' from upper busway tap box to the equipment. AHJ is telling us this violates 368.56B (not exceed 6'). What are some ways around this? I proposed securing & supporting the cable on the lower busway with a cable loop- red line (which is 6' above the equipment), but the AHJ wouldn't provide any feedback..
1775830244829.png
 
Our flexible cord drop is 12' from upper busway tap box to the equipment. AHJ is telling us this violates 368.56B (not exceed 6'). What are some ways around this? I proposed securing & supporting the cable on the lower busway with a cable loop- red line (which is 6' above the equipment), but the AHJ wouldn't provide any feedback..
368.56(B)(2):
  • (2) The length of the cord or cable from a busway plug-in device to a suitable tension take-up support device shall not exceed 1.8 m (6 ft).
The section says that the you cannot exceed 6' between the "plug-in device" (where it goes from the bus to cable) and the suitable tension take-up device. So you could have the tension take-up device installed & supporting the cable 6' (or less) from where the cable-to-bus connection is, then have the cable drop down to the server rack as there is no a length issue AFTER the tension take-up device. After the tension take-up device the cable is then treated as a vertical riser. according to (3):

  • (3) The cord and cable shall be installed as a vertical riser from the tension take-up support device to the equipment served.

I do not believe just looping the cable around that lower bussing would be considered a "suitable tension take-up support device", as doing so would make the bussing itself the "support device". What you would want to use is a "bus drop-cable support grip". Hubbell makes some pretty good ones. Grainger sells them for like $33. Just make sure to get one that has a cable diameter range suitable for the cable you're using.
 
Last edited:
Also there is an exception to this rule:

Exception to (B)(2):
In industrial establishments only, where the conditions of maintenance and supervision ensure that only qualified persons service the installation, lengths exceeding 1.8 m (6 ft) shall be permitted between the busway plug-in device and the tension take-up support device where the cord or cable is supported at intervals not exceeding 2.5 m (8 ft).

So if this is a server rack in an industrial facility, then you have an extra 2 foot allowance as long as you support it in intervals not exceeding 8 feet.
 
Top