Load Sharing of Generators

Status
Not open for further replies.

Charz

Member
Location
Texas
What happens if the parallel running generators do not share the loads proportionally? Why is it necessary to share the loads in proportion to their ratings? or equal sharing in case of similar generators?
 
210722-1021 EDT

Power dissipation in the generator. You do not want to exceed power dissipation in a generator such that you degrade insulation.

.
 
What happens if the parallel running generators do not share the loads proportionally?

It depends on how much is being apportioned to each unit and the mode you’re in, but some things you might expect are overloading, overheating, instability, excessive fuel consumption, excessive wear, voltage/frequency sagging, alarm/tripping.

Why is it necessary to share the loads in proportion to their ratings? or equal sharing in case of similar generators?

Because there usually isn’t very much extra capacity and improper loading results in overloading one or more units. It also improves stability and reliability of the system.
 
What happens if the parallel running generators do not share the loads proportionally?
The risk is that one generator will be overloaded. If one generator can carry the entire load, this isn't as big an issue, but then you don't really need two generators.
 
Say, there are two generators of 15MW and a total load of 25MW, If one generator shares a load of 15MW and other one shares 10MW. Essentially, the generators are loaded within their ratings, but not sharing the loads equally between them.

In this case, Is there a problem?
 
Say, there are two generators of 15MW and a total load of 25MW, If one generator shares a load of 15MW and other one shares 10MW. Essentially, the generators are loaded within their ratings, but not sharing the loads equally between them.

In this case, Is there a problem?

No problem necessary, but if one unit is at its mechanical power limit (which may or may not be the full-load rating) and it experiences a disturbance, the unit would be less stable and may end up stalling and trip out. If the prime mover is rated 15-kW, then it’s not advised. It’s not only about the electrical side.
 
Say, there are two generators of 15MW and a total load of 25MW, If one generator shares a load of 15MW and other one shares 10MW. Essentially, the generators are loaded within their ratings, but not sharing the loads equally between them.

In this case, Is there a problem?
Your comment would indicate not a parallel in the scenes that I would see for parallel from the utility. That just always split evenly the load between the feeders of a parallel service or more accurately load applied across all conductors of the parallel.
Is this actually 2 generators with their own prime movers, or are they sharing the engine powering them? Not sure how this is done. But, If they are independently powered the load splitting is only a function of application of electrical loads from utilization equipment through the distribution panel(s).
But if they share the prime mover, being physically mechanically connected, an uneven load can create an undue stress on the mover as well the interconnection means, the greater the disparity between the 2 loads are, the greater the mechanical stress might be. Think about as loads are applied to a singular generator how loading effect the engine strain and can be audibly heard by "dogging" of the engine. And if the loads were not electrically "broke" from the generator at some point t ht e engine would reach a stall point.
Another consideration is synchronization, this is an interesting article discussing interconnecting and paralleling generators and the synchronization of the phase and hertz.
 
Last edited:
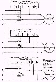
IMO, the old way of maintaining a proportionate sharing of load between paralleled generators was thru cross-current compensation! Each generator CT are connected in series and the generators behave according to their share of the load. Here's a web picture I grabbed (CTTO)
image182.jpg
 
Status
Not open for further replies.
Top