MOV Jumpers in VFDs

Saturn_Europa

Senior Member
Location
Fishing Industry
Occupation
Electrician Limited License NC, QMED Electrician
I work on a large fishing/factory boat. When I was hired the first thing I did was start asking questions about grounding. The Chief Engineer at that time told me that the boat is not "solidly grounded".

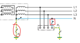
We have 3 generators and all of the generators do not show the center point grounded. Its a 480v 3 phase system. At any 480v panel on the boat I can go from leg to ships steel or the panel steel and get 277 volts.

We have a ground fault meter on the main switch board as well that reads leakage to ground.

About 3 years ago, I installed a 25 HP Allen Bradley VFD. It failed within a few days of production. We returned it to the distributor and an electrical engineer there said it failed because we did not pull the jumper for the Metal Oxide Varistors that are referenced to ground.

I went around the boat and around half of the jumpers were pulled and half not. We pulled all the jumpers on installed drives. Since then I have been pulling the jumpers on all the drives that I install.

This past October we had two drives fail on a three drive system. They are ABB drives that have been in service for around 10 years. They failed during switch over from shore power to generator than back to shore power. There was a lot of condensation built up in the room and we blamed it on that. The two drives that failed are ten years old and had the VAR jumper in place. The drive that didnt fail is around a year old and has the VAR jumper pulled.

I was talking to the other electrician on board during a rare overlap of our schedules and we started discussing why we pull the MOV or VAR jumpers. It boiled down to something someone had told me 3 years ago. And we've been rolling with it ever since. I've installed around $40,000 worth of drives this year and I want to make sure I am doing everything correctly. We havent noticed any increase of failures since we started pulling the VAR or MOV jumpers.

Allen Bradley has the benefits of the MOV as "Reduced electrical noise, most stable operation, EMC compliance, reduced voltage stress on components and motor bearings." My question is: Is there any harm in pulling the MOV or VAR jumpers other than whats listed in the manual?

How can I tell what type of grounding system I have on board? I am really only familiar with TN-S and TN-C. Ships ground is a difficult subject to research.









1765668470908.png
 
What you have is an "IT" system; the system/source is not intentionally connected to ground at all.

The MOVs certainly provide benefit. They are non linear elements that will conduct if the voltage rises too high. They shunt excessive voltage (say from a transient spike) and thus protect the drive from these spikes. But the energy of the spike gets dissipated in the MOV; this means that they can only shunt _transient_ spikes. Apply a maintained overvoltage and they will conduct, heat up, and let out the magic smoke.

Since these MOVs are ground referenced, they are designed to clamp the L-G voltage.

When you put a drive with MOVs into an ungrounded system, you can have long duration excursions from the balanced L-G condition, and the MOVs get exposed to more than their clamping voltage for an extended period of time. *pop*

-Jonathan
 
YASKAWA dealer here:

I see it like a car in respect to ground. The chassis is the ground. Like you said and hot phase leg to ship chassis you get potential and it should be that way.

I find it weird the removing the MOV solves the issue of the drives failing. I can speak with engineering at YASKAWA on what they think.

I found some good technical info on MOVs here:


Wouldn't a ship be a TT type grounding system?

 
YASKAWA dealer here:

I see it like a car in respect to ground. The chassis is the ground. Like you said and hot phase leg to ship chassis you get potential and it should be that way.

I find it weird the removing the MOV solves the issue of the drives failing. I can speak with engineering at YASKAWA on what they think.

I found some good technical info on MOVs here:


As I understand it, the issue is the MOVs themselves failing because they are _ground referenced_ and thus see the normal fluctuations of L-G voltage seen in ungrounded systems.

Wouldn't a ship be a TT type grounding system?

I don't think so. TT means you have a grounded system, where the neutral is grounded at the source (transformer or generator) but you don't rebond the neutral at the service. See https://www.benderinc.com/know-how/technology/ungrounded-system/comparison-of-system-types/
 
As I understand it, the issue is the MOVs themselves failing because they are _ground referenced_ and thus see the normal fluctuations of L-G voltage seen in ungrounded systems.



I don't think so. TT means you have a grounded system, where the neutral is grounded at the source (transformer or generator) but you don't rebond the neutral at the service. See https://www.benderinc.com/know-how/technology/ungrounded-system/comparison-of-system-types/
1765728881939.png

What do the circled symbols mean? I am unfamiliar with that.
 
In general ships use ungrounded systems, and that matches up with the fact that you have a ground fault meter.
Most of the ground faults I see, do not trip the over current protection device. We see the ground fault on the main switch gear then have to go around the boat shutting equipment off until the ground fault on the board goes away.

On an ungrounded system, would you expect to see 277 Leg to ground on all three legs? Or would you get floating voltages? I always get 277 leg to ground.
 
Most of the ground faults I see, do not trip the over current protection device. We see the ground fault on the main switch gear then have to go around the boat shutting equipment off until the ground fault on the board goes away.

On an ungrounded system, would you expect to see 277 Leg to ground on all three legs? Or would you get floating voltages? I always get 277 leg to ground.

On an ungrounded system the L-G voltage is poorly defined.

It will often be about 277V ( on a 480V system) because most of the loads and leakage are balanced. Also the ground detector lights can act to resistance ground the system and help get that 277ish volts.

But any current with respect to ground can mess up that balance. Have a ground fault and you end up with 0V, 480V, 480G.

Have restriking ground fault and the L-G voltage can pump above 480V.

Have some significant leakage but not a solid fault and you can get a bunch of weird voltages.
 
.

On an ungrounded system, would you expect to see 277 Leg to ground on all three legs? Or would you get floating voltages? I always get 277 leg to ground.
Granted my sample size is not large, but every ungrounded system I have come across had a phase to ground voltage near perfectly centered, as if it was a solidly grounded wye. And these did not have fault indicator lights to resistance ground it as winnie mentioned.
 
Also the ground detector lights can act to resistance ground the system and help get that 277ish volts.
I have never seen this effect, the lights cannot handle very much current, although bus duct manufacturers, like Square D and GE, sold plug on units that they called 'ground neutralizers'.
Their purpose was to reduce the possibility of the near doubling of L-L voltage which can occur during arcing faults on ungrounded systems.

It is common to see balanced 277V to ground on unloaded systems and those with long secondaries.
 
Last edited:
1765808135587.png

Our 480v ground fault meter looks like the above image. The secondary side of the 120v transformers use 3 indicator lights for ground fault.
 
View attachment 2581078

What do the circled symbols mean? I am unfamiliar with that.
The R implies a resistance grounded neutral. The handle/switch looking thing could be a bypass. An impedance grounding system bypass involves using a switch or contactor to temporarily parallel the grounding resistor with the system neutral, often to facilitate maintenance or testing.
 
What you have is an "IT" system; the system/source is not intentionally connected to ground at all.

The MOVs certainly provide benefit. They are non linear elements that will conduct if the voltage rises too high. They shunt excessive voltage (say from a transient spike) and thus protect the drive from these spikes. But the energy of the spike gets dissipated in the MOV; this means that they can only shunt _transient_ spikes. Apply a maintained overvoltage and they will conduct, heat up, and let out the magic smoke.

Since these MOVs are ground referenced, they are designed to clamp the L-G voltage.

When you put a drive with MOVs into an ungrounded system, you can have long duration excursions from the balanced L-G condition, and the MOVs get exposed to more than their clamping voltage for an extended period of time. *pop*

-Jonathan
Very well stated...
The other issue is that in the VFD front-end, the MOVs are configured in a Wye with a solid ground reference. If the source does NOT have a solid ground reference, and there is ANY grounded fault anywhere in the system, that little MOV circuit attempts to BE the grounded Wye point for the entire system, for about as long as it takes for the metal oxide inside to vaporize, explode and coat everything around it with a conductive material, giving it all a path to ground...

The reason (as far as I have been able to determine" why many Japanese drive manufacturers, like Yaskawa, make no provisions for removing the MOV ground reference, is because what they do instead is to just tell you in the installation instructions that you CANNOT install the drive on an IT or ungrounded delta system. Problem solved from their perspective....

As to whether or not the damage happens, if you go YEARS without ever having a ground fault on an ungrounded system, and the MOV jumpers are in, you will not see any issue. But that is just pure luck, and luck is not a valid safety strategy. In the late 70s-early 80s, I was an electrician at a steel mill and we were an ungrounded delta system (with ground lights in the electric shop). When the first VFDs started hitting the market, we were adopting them right away, but they blew up right and left because nobody understood this issue yet. years later I worked at a fish processing plant in Alaska and we had probably 50 Toshiba and Yaskawa VFDs installed around the plant, because it was owned and built by a Japanese company to make surimi (fake crab meat made from fish for sushi). We installed some new ABB drives when I got there for a piece of equipment, and I knew this issue from the steel mill, so I removed the jumpers. We had a ground fault event about 3 months later and they lost ALL of the Toshiba and Yaskawa drives all at once, but not the ABB drives. Toshiba and Yaskawa came back and said they were inappropriately applied to an ungrounded delta system and should have been connected behind Drive Isolation Transformers (which are Delta / Wye for that very reason).
 
On the Danfoss drives I use this is actually a setting called "RFI Filter". I guess it has a relay that disconnects the MOVs?
We have a bunch on an ungrounded delta and then two on high leg open deltas.
 
Top